HELP Hercules Fortissimo 2 [Résolu]

HELP Hercules Fortissimo 2 [Résolu] - Matériel - Video & Son

Marsh Posté le 03-11-2007 à 23:14:48    

Bonjour à tous.
Voilà j'ai besoin d'un coup de main; je viens d'acquérir une carte son hercules gamesurround fortissimo 2. Elle est neuve mais nue. Mon problème est le branchement de ma carte. En effet, je pensais pouvoir me procurer le câble assez facilement, et bien non!
Est ce que quelqu'un aurait ce câble, soit à vendre, ou pour me donner le schéma de câblage.
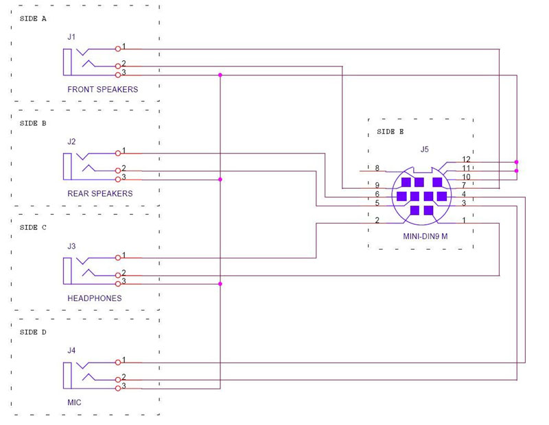
Il est composé d'une prise minidin 9 broches d'un coté, et de quatre minijack de l'autre. D'après ce que j'ai pu constaté sur la carte et ce que j'ai trouvé sur la toile, les bornes 3, 5, 6, 9 et le corps de la minidin sont utilisés mais je ne sais pas les correspondances avec les mini jack qui sont noire(sortie enceintes arrières), vert(sortie enceintes avants), jaune (sortie casque) et rose (entrée micro).
 
Voila, j'ai essayé d'être bref pour un premier post. Je n'ai pas trouvé de topic présentation, j'espère ne pas l'avoir loupé. Si vous souhaité plus de renseignement, Y'a qu'à demander.
 
Merci de vos réponses.


Message édité par lolosteph42 le 06-11-2007 à 18:37:15
Reply

Marsh Posté le 03-11-2007 à 23:14:48   

Reply

Marsh Posté le 04-11-2007 à 22:56:42    

:hello: il n'y a personne qui possède cette carte son?  :??:

Reply

Marsh Posté le 04-11-2007 à 23:18:41    

Je viens de récupérer ce câble :)

 

Un gentil forumeur me l'a échangé contre une carte graphique Matrox PCI :D

 

Un autre forumeur m'en a proposé un, tu devrais trouver je pense :hello:

 

http://forum.hardware.fr/forum2.ph [...] w=0&nojs=0

 

Et je viens de voir ton message sur achat & vente


Message édité par tharkie le 04-11-2007 à 23:22:17

---------------
Sujet sur les cartes son audiophiles pour mélomanes et musiciens & DAC+ADC
Reply

Marsh Posté le 04-11-2007 à 23:40:48    

Merci de ta réponse, je viens juste te t'envoiyer un Mp de peur que tu ne passe pas sur ton post. Par contre, je ne trouve pas sur le lien que tu as mis! :whistle:

Reply

Marsh Posté le 05-11-2007 à 00:07:19    

Reply

Marsh Posté le 05-11-2007 à 10:59:20    

J'ai la rage... Un ami m'a refilé entier un PC avec une Fortissimo II dedans (et le câble !).
 
Malheureusement, croyant que le câble ne servait que pour les LED, j'ai pluggué la carte sur port PCI sans le câble (fonctionne pas bien entendu, ni sous Win ni sous Linux).
Et le câble doit traîner quelque part chez moi... Arf.


Message édité par wavesound le 05-11-2007 à 10:59:51
Reply

Marsh Posté le 06-11-2007 à 15:46:02    

Il n'y a vraiment personne qui utilise cette carte?

Reply

Marsh Posté le 06-11-2007 à 16:52:19    

Tharkie, si tu fais la correspondance des pins minidin et jack de ce fameux cable, tu seras l'utilisateur le plus célèbre de Fortissimo 2 de l'internet :) :) :)
 
Un multimètre ou même une pile avec un peu de cable et un ampoule suffit largement pour le faire.

Reply

Marsh Posté le 06-11-2007 à 17:29:53    

Reply

Marsh Posté le 06-11-2007 à 18:36:31    

Allez les gars, plus la peine de chercher :ouch: J'ai le schéma. :pt1cable: Je l'ai obtenu directement chez Hercules. :sol: Leur réponse valait le coup d'attendre. :love:  
Dés que j'ai réalisé le câble, je crée un post et vous donne toutes les explications et schéma.
Je vous remercie beaucoup pour votre aide. :jap:  
A+ :hello:
 
Ps: quel serai la meilleure catégorie pour mon post: "Fabriquer LE câble pour la carte fortissimo 2" :??:


Message édité par lolosteph42 le 06-11-2007 à 18:41:39
Reply

Marsh Posté le 06-11-2007 à 18:36:31   

Reply

Marsh Posté le 07-11-2007 à 02:49:35    

Ouais :D fais tourner, on sais jamais ;)
 
Mais tu sais, cette carte est vraiment vieille... Je ne sais pas si le jeu en vaut la chandelle ?
 
Amha, c'est la catégorie Matériel dans la section Vidéo & Son qui conviendrait le mieux :jap:


---------------
Sujet sur les cartes son audiophiles pour mélomanes et musiciens & DAC+ADC
Reply

Marsh Posté le 02-02-2008 à 20:28:29    

Bon alors pas de sujet inutile!
juste le plan:
http://www.casimages.com/img/jpg/07110607244196891393235.jpg

Reply

Sujets relatifs:

Leave a Replay

Make sure you enter the(*)required information where indicate.HTML code is not allowed